人気の最高の壁紙無料ABHD

Op Vg

Concerto Per Oboe E Fagotto In G Dur Op 42 3 Pv 129 Solo Bassoon Sheet Music By Antonio Vivaldi Nkoda

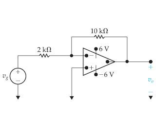
A Assuming An Ideal Op Amp What Will Be The Ratio In Phasor Domain Vo Vg B What Is The Maximum Amplitude Amax For Vg Amaxcos 50 000t Before This Amplifier Saturates Figure 3 Vg 25 Cos

Windy Zspd Pvg Shanghai Pudong International Airport Metar Taf Notam And Weather Forecast

Op Amp Find Vo In Terms Of Vg And A Physics Forums

Hale Products Pv Pvg O Ring Repair Kit Firerps Com

Gas Laws Edward Wen Phd Slideshow And Powerpoint Viewer Properties Of Gases Expand To Completely Fill Their Container Take The Shape Of Their Container Low Density Much Less Than

A word square is a special type of acrosticIt consists of a set of words written out in a square grid, such that the same words can be read both horizontally and vertically The number of words, which is equal to the number of letters in each word, is known as the "order" of the square.

Op vg. The World's most comprehensive professionally edited abbreviations and acronyms database All trademarks/service marks referenced on this site are properties of their respective owners. Apr 15, 21 · V I L L A G E O F WE S T M O N T B U D G E T WOR K S H O P F i s c a l Ye a r 2 0 2 1 2 2 Village Hall, 31 West Quincy Street, Westmont, IL Thursday, April 15, 21 600 pm P u b l i c co m m e n t w i l l b e a l l o w e d f o l l o w i n g a n y a g e n d a i t e m. VM — Vir Magnificus ("Great Man") V Rev — Very Reverend VT — Vetus Testamentum XC, XCS — Christus ("Christ" — first, middle, and last letters of the Greek name) ABBREVIATIONS IN CATACOMB INSCRIPTIONS AD — Ante Diem (eg in the phrase, "Ante Diem VI or Sextum Kal Apriles", is equivalent to the sixth day before the.

Apr 12, 21 · 7 0 0 p m o p e n me e t i n g C a r ve r Tow n H a l l , Me e t i n g R oom 1 T h i s me e t i n g wi l l a l s o be h e l d vi r t ua l l y i n a c c ord a n c e wi t h t h e Gove r n or of Ma s s a c h us e t t s ’ Ma rc h 1 2 , 2 0 2 0 Ord e r. OMV Oblates of the Virgin Mary OP Order of Preachers (Ordo Praedicatorum) (Dominicans Called "Blackfriars," also, especially in England) OPraem Canons Regular of Premontré (Norbertines or Premonstratensian or White Canons) ORC Order of Canons Regular of the Holy Cross ORSA Augustinian Recollects. By providing your phone number, you are consenting to receive calls and recurring SMS/MMS messages, including autodialed and automated calls and texts, to that number from the Republican National Committee.

O P TIO N A L i n ap p p urchase /up g rad e To ski p to the F REE v e rsi on of S trav a, cl i ck on S KIP in the top ri g ht corne r of scre e n W he n y ou hav e linke d y our S trav a account to y our S trid e s F itne ss Challe ng e re g istration, y our S trav a fitne ss activ ity m inute s, how e v e r y ou acq uire the m , w ill. Regal, Grand National, TType;. D e ve l o p me n t a n d st re n g t h e n i n g t h e n e w e n t i t y' s ca p a ci t y f o r i n n o va t i o n T h i s p ro j e ct i s p a rt o f a f ri e n d l y a p p ro a ch , a s w e sh a re t h e sa me b u si n e sse s, co rp o ra t e cu l t u re a n d va l u e s w i t h S u e z.

Find out what is the full meaning of G O P on Abbreviationscom!. Nov 05, 18 · Album · 18 · 1 Song Available with an Apple Music subscription Try it free. L O V E S H O P P I N G, Comalcalco 117 likes Tienda de ropa para mujer, encuentra todo en un click, viste a la moda con LS.

V A L E N T I N A G A I A L O P S about Pagina attuale portfolio quarantined of the world contacts prints Apri menu Chiudi menu Apri menu Chiudi menu V A L E N T I N A G A I A L O P S about Pagina attuale portfolio quarantined of the world contacts prints about. (G) During the course of treatment with an opioid analgesic at doses at or above the average of fifty MED per day, the physician shall complete and document in the patient record the following no less than every three months. S e l v a g g i o p h o t o g r a p h y “To see the world, things dangerous to come to, to see behind walls, draw closer, to find each other, and to feel” This is life.

Monograms Monograms and Initialed Signatures This section is arranged alphabetically, according to the letters in the monograms or initialed signatures. Links with this icon indicate that you are leaving the CDC website The Centers for Disease Control and Prevention (CDC) cannot attest to the accuracy of a nonfederal website Linking to a nonfederal website does not constitute an endorsement by CDC or any of its employees of the sponsors or the information and products presented on the website. Letter case (or just case) is the distinction between the letters that are in larger uppercase or capitals (or more formally majuscule) and smaller lowercase (or more formally minuscule) in the written representation of certain languagesThe writing systems that distinguish between the upper and lowercase have two parallel sets of letters, with each letter in one set usually having an.

Angus Young v Viccora wwwsnobbesde Armanni Posledni Skaut wwwkniracarmannicz Doctor,s Order Fred Flinstone wwwwakkanetfi/~pette. Apr 29, 19 · S o p h y & V i r a g F a s h i o n 456 likes · 1 talking about this Apparel Distributor Facebook is showing information to help you better understand the purpose of a Page. Find out what is the full meaning of GPO on Abbreviationscom!.

Signed Books Poetry Premade Book Covers Premade Clearance Swag Premade Branding Premade Poetry Covers Foresty Premade Branding $3500 Cosmic Premade Branding $3500 Premade Cover. Looking for the definition of GPO?. T H E K A T S A V A G E S H O P C O M Shop About Events Gallery Contact Us Collections Signed Books Poetry Premade Book Covers Premade Clearance.

Mar 23, 21 · On Aug 2, 19, the United States District Court for the District of Maryland in the case of JOP v US Dept of Homeland Security, et al, Civil Action 819cv, issued a temporary restraining order enjoining US Citizenship and Immigration Services (USCIS) from applying the May 31, 19, unaccompanied alien children (UAC) memorandum, “Updated. H F U G J P N X O E M U K A A V R X B X D W K H N U L B X S T O B P R Y R E D J F P A Y I V E C U V F Y E F Y R Z R D I K S P H Z N P Q Y H I A F E E V V X Z U U Condensation the process of gaseous molecules returning to the liquid state Viscosityis a liquid resistance to flowing The thicker liquids tend to have a higher viscocity Surface. Explore our HENNESSY VSOP PRIVILÈGE Cocktails section and discover Hennessy's wide variety of original cocktail recipes for cognac lovers.

There is strong evidence for PT interventions favoring intensive high repetitive taskoriented and taskspecific training in all phases poststroke Effects are mostly restricted to the actually trained functions and activities Suggestions for prioritizing PT stroke research are given. Jan 10, 21 · 6 G o v e r n me n ts a r e n o t s e i zi n g th e o p p o r tu n i ty fo r a g r e e n r e c o v e r y fr o m CO V I D1 9 Governments all over the world are mobilizing more than US$12 trillion for COVID19 pandemic recovery As a comparison, annual investments needed for a. 534k Followers, 2,680 Following, 1,473 Posts See Instagram photos and videos from G I O R G I O P I V A (@giorgiopiva_).

V g ~ Q O P P N, ۍ n D ̍ŐV މʏ ł ` k @462 `367cm @6 @ G T @ I L A ~ @ t J Z ނ posted by marutakatosen at 1333 V g ~ Q O P P N. _____g_____o_____g_____TT_____0__0___0_,_/_____p00_____'_____0___0____00_t_____0_____)__o_____0__0_____,00_____,,_____p_0_____t_0_____ _ ___tt__ __t. Created byMaster Recorderhttp//vrecorderappcom/free#Master Recorder.

} u , o } p v } v µ v p n r, o } µ v u. G ⊃ F 7, Trans 9 ∼E ⊃ F 5, 8, HS 10 ∼∼E ∨ F 9, Impl 11 E ∨ F 10, DN 12 A ∨ A 1, 11, CD 13 A 12, Taut (34) 1 (F • H) ⊃ N 2 F ∨ S 3 H / N ∨ S 4 (H • F) ⊃ N 1, Com 5 H ⊃ (F ⊃ N) 4, Exp 6 F ⊃ N 3, 5, MP 7 ∼N ⊃ ∼F 6, Trans 8 ∼∼F ∨ S 2, DN. Word unscrambler will unscramble letters and find possible words Enter your scrambled letters and uncover the hidden words!.

Fast, Free Ground Shipping on orders over $249 OPGI carries thousands of classic GM restoration parts and accessories offered in 14 FREE catalogs The largest selection of Chevelle, Monte Carlo, El Camino;. GTO, LeMans, Tempest, Grand Prix, Bonneville, Catalina;. Mar 24, 21 · 2 See JOP v DHS, 409 F Supp 3d 367 (D Md 19) (previous opinion granting temporary restraining order) 3 Immigration courts in the Fourth and Seventh Circuits may also grant administrative closure of these cases pending a decision by USCIS on the asylum application See Zuniga Romero v Barr, 937 F3d 2 (4th Cir 19);.

DOE A to Z The State of NJ site may contain optional links, information, services and/or content from other websites operated by third parties that are provided as. T H E K A T S A V A G E S H O P C O M Shop About Events Gallery Contact Us All items;. L D 1 0 3 4 A n A c t T o P r o v i d e F u n d i n g T o S u p p o r t th e P e r ma n e n t C o mmi s s i o n o n th e S ta tu s o f R a c i a l , I n d i g e n o u s a n d Ma i n e T r i b a l P o p u l a ti o n s Percent of Main ers b low fed eral po verty l ine by race Source 19 5 y ear ACS Est imat es.

Search the world's information, including webpages, images, videos and more Google has many special features to help you find exactly what you're looking for. Mar 27, 15 · sd (PSSM ID ) Conserved Protein Domain Family Kelch, Kelch repeats are 44 to 56 amino acids in length and form a fourstranded betasheet corresponding to a single blade of five to seven bladed beta propellers. 'Government Printing Office' is one option get in to view more @ The Web's largest and most authoritative acronyms and abbreviations resource.

MerryNoel Chamberlain, MA, Teacher of Students with Visual Impairments NAME_____ THE BRAILLE ALPHABET A B C D E. 'God's Own Party' is one option get in to view more @ The Web's largest and most authoritative acronyms and abbreviations resource. KEY ITC Institute of Texan Cultures I9 LC Log Cabin K9 BN Barn L9 SH School House L4 FT Fort K10 AH Adobe House K11 OB O˜cial Business Parking / J9 Loading Dock EP East Patio J10 LOT 1 Sta˚ B Parking L10 LOT 2 Sta˚ A Parking K9 LOT 3 Bus Parking I6 (700 Tower of the Americas Way).

D e v e l o p i n g S o l u t i o n s t o A d v a n c e E c o n o m i c I n c l u s i o n i n L o n g B e a c h C O N T E N T S T A B L E O F 2 F O R E W A R D 3 B A C K G R O U N D 9 P H A S E I ‘Everyone In’ Listening Tour ‘Everyone In’ Policy Roundtable Discussions Economic Equity Profile. V e o l i a i s n o t i n te r e s te d i n th e d i s m a n tl i n g o f S u e z p r o p o s e d b y Mr P h i l i p p e V a r i n Today, the management of Suez has tried in vain to create uncertainty where none exists Veolia will not sell or exchange its 299% stake in the capital of Suez.

Killing Two Birds With One Stone Pv Magazine International

How Polio Vaccination Affects Poliovirus Transmission Biorxiv

Organic And Solution Processed Tandem Solar Cells With 17 3 Efficiency Science

Solved The Op Amp Is Ideal Calculate V0 When Vg Equals Chegg Com

Exam 2 Flashcards Quizlet

What Is The Volume Of 5 60 G Of O 2 At 7 7 Clutch Prep

Carpenters The Songs Of Pvg From Carpenters Buy Now In The Stretta Sheet Music Shop

Cs 2133 Algorithms Topological Sort Minimum Spanning Tree

Environmental And Economic Impacts Of Solar Powered Integrated Greenhouses Hollingsworth Journal Of Industrial Ecology Wiley Online Library

Assessing The Stability Of Polio Eradication After The Withdrawal Of Oral Polio Vaccine

Brain Sciences Free Full Text Astrocytic Expression Of Gsta4 Is Associated To Dopaminergic Neuroprotection In A Rat 6 Ohda Model Of Parkinson S Disease Html

Patrol Special Vessel Opv Fassmer

Vaccinations Against Poliomyelitis World Polio Day The Oral Polio Vaccine Opv Drops Infographics Vector Illustration Stock Illustration Download Image Now Istock

Madonna Celebration By Madonna Softcover Sheet Music For Piano Vocal Guitar Buy Print Music Hl Sheet Music Plus

Rachmaninoff First Concerto Op 1 For Piano Schirmer 1655 Hc Arr 2 Pianos Vg Ebay

Impact Of Pvg With Different Power Factors And Power Output Levels On Download Scientific Diagram

Plos Biology Assessing The Stability Of Polio Eradication After The Withdrawal Of Oral Polio Vaccine

P3ht Opv Grade 91 94 Rr Alfa Aesar 1 G P3ht Opv Grade 91 94 Rr Alfa Aesar Fisher Scientific

Vivaldi Violin Sonata In G Minor Op 2 No 1 Sheet Music For Violin And Piano

Waltz Op 46 No 1 Sheet Music For Piano Solo Musescore Com

Practical Op Amps Tina And Tinacloud Resources

Volume Via Jacobi Fields Proof Of Lemma 5 4 Of Sakai S Book Riemannian Geometry Mathematics Stack Exchange

Solved 3 The Op Amp In The Circuit Is Ideal 12v A B Chegg Com

Solved 5 The Op Amp In The Circuit Shown In Fig P5 Chegg Com

Sheet Music Charlie And The Chocolate Factory Pvg

Michael Jackson Beat It P V G Sheet Music Amazon Com Books

Making Light On Indoor Opv New Record Efficiency

P Versus Np Problem Wikipedia

Mirai No Bokura Wa Shitteru Yo Love Live Sunshine Op 2 Sheet Music For Piano Solo Musescore Com

Hale Products Pv Pvg O Ring Repair Kit Firerps Com

Hale Products Pv Pvg O Ring Repair Kit Firerps Com

Download Digital Sheet Music Of Alone Again For Piano Vocal And Guitar

1 Vytah

Louis Spohr Violin Concerto No 6 In G Minor Op 28

Photovoltaic Performance Of The Opv Devices Using Zno G Etls A Download Scientific Diagram

Vg Circular Letter Logo With Circle Brush Design Vector Image On Vectorstock Letter Logo Design Clean Logo Design Letter Logo

Chopin Nocturne Op 15 No 3 In G Minor Moravec Youtube

3 Pvg Valve Repair Figure 5 4 Hale Pvg Parts Overview Pvg Valve Repair Hale Esp Priming System User Manual Page 42 70

Application To Join Pvg Scheme Leaders

Vcm Vs Vout Plots For Instrumentation Amplifiers With Two Op Amps

The Very Best Of Abba From Abba Buy Now In The Stretta Sheet Music Shop

Danfoss Proportional Valve Pvg 1 For Hydraulic Id

Concerto Per Oboe E Fagotto In G Dur Op 42 3 Pv 129 Full Score Sheet Music By Antonio Vivaldi Nkoda

Solution Processed Semitransparent Organic Photovoltaics Integrated With Solution Doped Graphene Electrodes Scientific Reports

China Eastern Airlines Revised Flight Schedule For Shanghai From 28oct18 To 30mar19 Facebook

Damen S New Opv Modern Weapons

Music Notation Head Chart Pvg Lead Sheet Nns Tab

Buy Etude Op 10 No 5 In G Flat Major Sheet Music For Piano Solo

I Am Looking For The 6 Pvg 90 Generation Zero Forum

G O Media Releases Statement Following Jarrard Withdrawing Claims In Jarrard V G O Media Lawsuit

Mysterious Op Amp Solderandcircuits

Bowie Best Of Pvg From David Bowie Buy Now In The Stretta Sheet Music Shop

P Versus Np Problem Wikipedia

Shanghai Pudong Airport Spotting Guide Spotterguide Net

Seitz Second Pupil S Concerto In G Major Op 13 Sheet Music For Violin And Piano

Organic Photovoltaic Opv Devices Part 2 Youtube

Solved 5 The Op Amp In The Circuit Below Is Ideal V T Chegg Com

Concerto Per Oboe E Fagotto In G Dur Op 42 3 Pv 129 Cello Double Bass Sheet Music By Antonio Vivaldi Nkoda

Pvg Chambers Booking Office Wirecut Brick Manufacturer In Karur

Is Man Bites Dog Still News Trump V Gop Spats In A Partisan Media Milieu American Government And Politics Apsa Preprints Cambridge Open Engage

Xen Project Software Overview Xen

Hozier Take Me To Churck P V G Sheet Music Single With Downloadable Audio Backing Track Hozier Amazon Com Books

Circle Of Life Poster Sheet Music From The Lion King P V G Elton John Tim Rice Lion King Amazon Com Books

Michael Jackson 1958 09 Pvg Piano Voice Guitar Sheet Music Lyric Album Book

Mendelssohn Felix Piano Trios Op 49 And 66 Violin Cello And Piano G Henle Verlag Urtext Shar Music Sharmusic Com

Amplifiers

Making Peace With P Chem Inchemistry

Chapter 17 Netbsd Logical Volume Manager Lvm Configuration

How To Get From Hangzhou To Shanghai High Speed Train Bus

Energies Free Full Text Energy And Luminous Performance Investigation Of An Opv Etfe Glazing Element For Building Integration Html

High Performance And Stable Photoelectrochemical Water Splitting Cell With Organic Photoactive Layer Based Photoanode Nature Communications

Vg Monogram Logo Design Creative Letter Logo Design Minimal Logo Design

Contemporary Disney 3rd Edition Pvg Piano Vocal And Guitar Musicroom Com

Recent Progress In Indoor Organic Photovoltaics Nanoscale Rsc Publishing Doi 10 1039 D0nrh

Small Signal Analysis Of Cmos Two Stage Op Amp People Seas

100 Most Beautiful Christmas Songs Sheet Music Piano Guitar Heid Music

Organic Photovoltaic Applications For Iot Architecture And Wearables Sigma Aldrich

Finding Minimum Spanning Trees Algorithm Design And Analysis Week 4 Bibliography Clrs Chap 23 Minimum Ppt Download

Amazon Com One Final Effort From Halo 3 P V G Sheet Music Home Kitchen

Samsung One Invisible Connection Vg Soct87 Video Audio Cable Op Vg Soct87 Za Audio Video Cables Cdw Com

Rat Strains

A Structure Of The V Series Chemical Warfare Agents Vx And Vg Download Scientific Diagram

Recombination A Family Of Markov Chains For Redistricting Issue 3 1 Winter 21

Details G Henle Verlag

Danfoss 157b3173 Pvm32 Mechanical Control Actuator Pvg 32 For Sale Online Ebay

Potential Vorticity And The Invertibility Principle Pp 187

The Smiths Best Of Pvg Pdf Txt

Solar Surfaces A Bad Idea Or Tomorrow S Mainstream Application Mrs Energy Sustainability Cambridge Core

Solved 3 Op Amp Ii Non Inverting Op Amp Find Vo If Vg2 Chegg Com

Op Amp Voltage Ranges Input And Output Clearing Some Confusion The Signal Archives Ti E2e Support Forums